
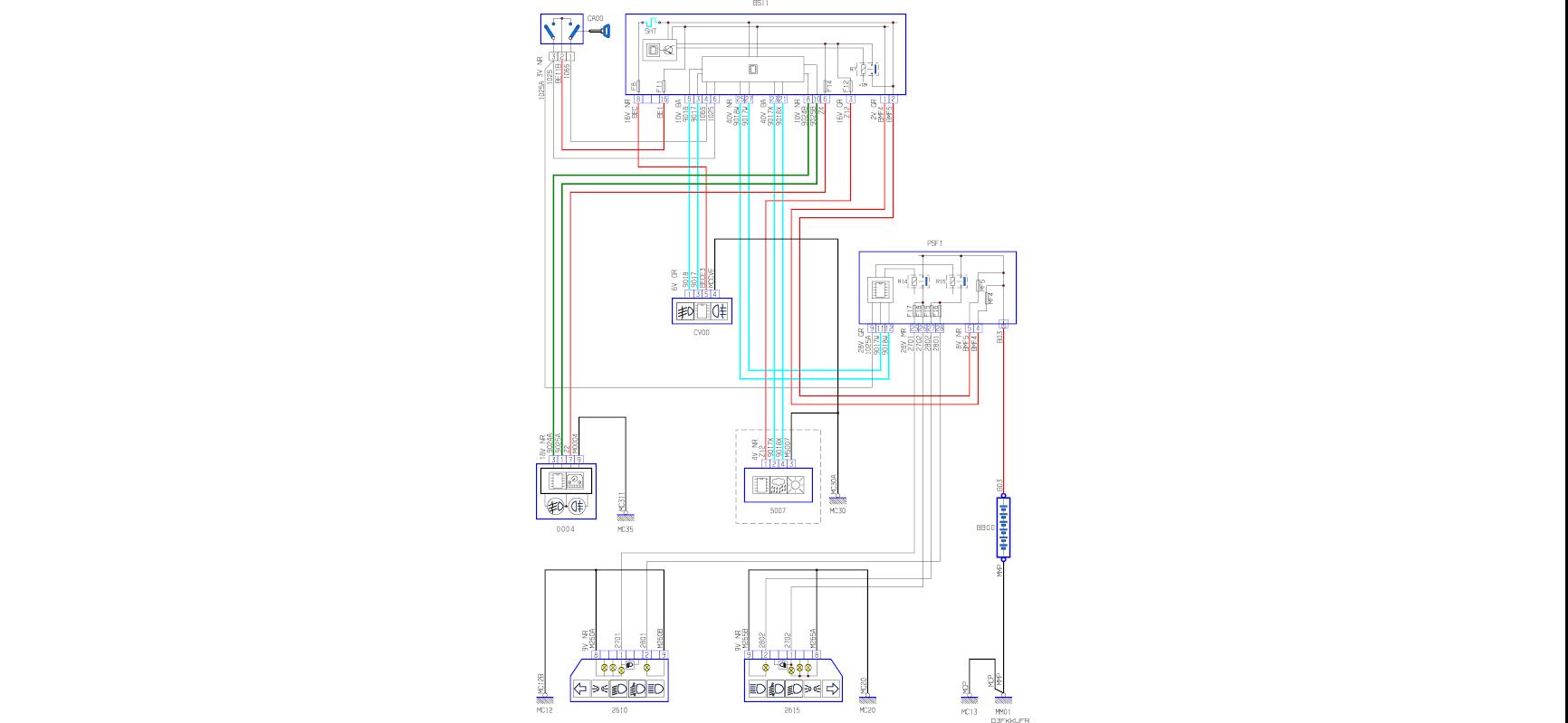
0004 : combiné
2610 : projecteur gauche
2615 : projecteur droit
BB00 : batterie
BSI1 : boîtier de servitude intelligent (BSI)
CV00 : module de commutation sous volant (COM 2000)
PSF1 : platine servitude - boîte fusibles compartiment moteur
Modérateurs : Vinouchette, 1007duquatre9, nubnub54
