

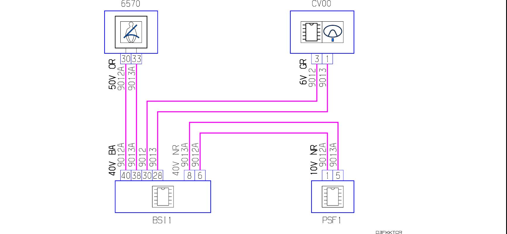
BSI1 : Boitier de servitude intelligent (BSI)
CV00 : Module de commutation sous volant (COM2000)
6570 : Boitier coussins gonflables et pré-tensionneurs
PSF1 : Platine servitude - boite fusibles compartiment moteur
Modérateurs : Vinouchette, 1007duquatre9, nubnub54